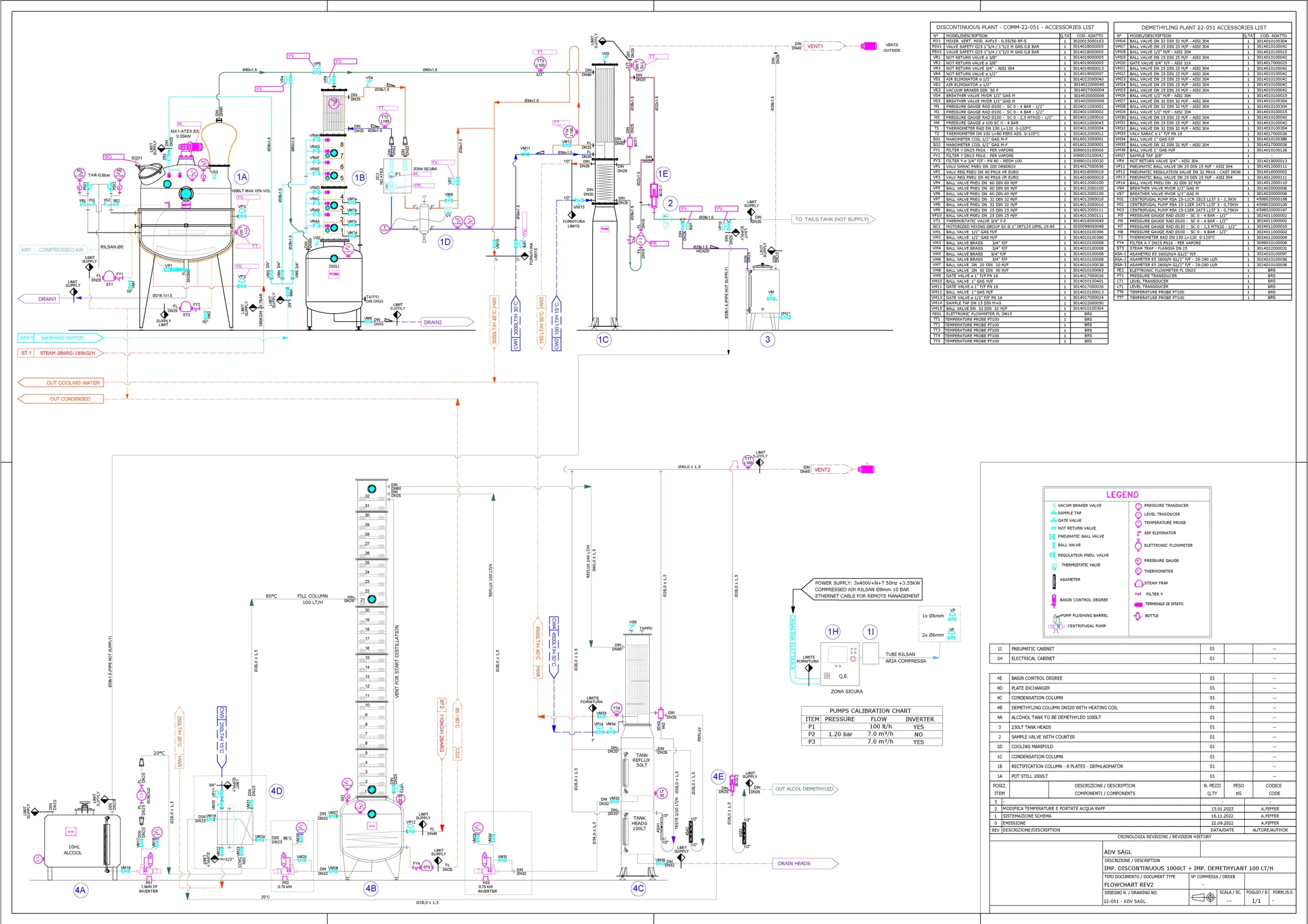
Impianto di distillazione discontinuo tipo 15DM IR
CHF275'600.00
Il modello 15DM IR è un impianto di distillazione discontinuo con caldaia tipo bagnomaria, è di piccole dimensioni e di facile collocazione anche in presenza di spazi limitati. consente di ottenere prodotti di altissima qualita’ e di mantenere al distillato il caratteristico profumo della materia prima.
l’impianto è dotato di tutta la strumentazione necessaria (manometri, termometri ed alcoolometri) e si caratterizza per la facilità di utilizzo.
l’impianto dev’essere integrato con un sistema di carico della materia prima.
L'impianto è composto da:
n° 01 Caldera ad intercapedine costruita interamente in acciaio inox, completa di:
- Camicia vapore completa di valvola per gestione del flusso di immissione, uscita condense con trappola per vapore, divisa in due per funzionamento a carico parziale;
- Gruppo sicurezze con: manometro, valvola svuotamento aria, valvola di sicurezza, posti alla camicia vapore;
- Coibentazione in lana di roccia e rivestimento esterno in lamierino di rame della camicia vapore;
- Attacco con valvola DN50 ad apertura pneumatica/manuale per carico di liquidi;
- Portella di ispezione e pulizia DN400 posta alla sommità della caldera;
- Predisposizione caldera per trattamento di vinaccia, composta da:
- scarico della caldera maggiorato;
- valvola a ghigliottina;
- agitatore modificato.
NB: In questo caso il carico del prodotto avverrà attraverso la portella di ispezione e pulizia DN400 posta alla sommità della caldera.
- Doppia divosfera di lavaggio per la caldera
- Scarico con valvola ad apertura pneumatica, tubo in acciaio inox per scarico dell'esausto;
- Quadro elettrico adatto a posizionamento oltre zona a rischio di esplosione per l'azionamento dell'agitatore;
- Specola DN170 posta a mezzeria del punto di massimo carico;
- Specola DN 60 posta sulla calotta per applicazione luce per visualizzazione interna (luce esclusa);
- Manometro con cassa inox (diametro 150 mm scala 0^2,5 m colonna acqua) posto alla caldera;
- Termometro con cassa inox (diametro 150 mm scala 0°^120°C) posto alla caldera;
- Duomo in rame posto all'uscita dei
n° 01 Colonna di rettifica del tipo a piatti, completa di:
- Bollitore in acciaio inox completo di scarico totale e oblò DN 100 al punto di massimo riempimento;
- n° 03 tronchi in rame contenenti 12 piatti di rettifica del tipo a calotta, anch'essi in rame;
- n° 06 specole visive poste sulla colonna di rettifica in corrispondenza dei piatti, con specola per luce (luce esclusa)
- 8 Divosfere poste sulla colonna di rettifica in corrispondenza dei piatti
- 8 Valvole di scarico piatti colonna di rettifica in corrispondenza dei piatti
- Valvole di bypass per la colonna di rettifica
- Flange di giunzione tronchi e bollitore, in acciaio inox;
- n° 01 deflemmatore aromatizzatore in acciaio inox rivestito in rame, posto in testa alla colonna.
n° 01 Colonna di raffreddamento, completa di:
- n° 01 Condensatore a fascio tubero completamente in inox;
- n° 01 Refrigerante a serpentina in inox;
- n° 01 Basamento di supporto condensatore e refrigerante, in acciaio
Altro:
- n° 01 Deviazione per scarto teste, con bacinella in vetro;
- n° 01 Deviazione per scarto code;
- Sfiati di sicurezza (solo connessione);
- n° 01 Bacinella in vetro per controllo grado e temperatura;
- Tubazioni di collegamento in acciaio inox (uscita del duomo fino al bollitore della colonna di rettifica e da uscita colonna di rettifica fino alla colonna di raffreddamento);
- Finitura Fiorettata superfici in acciaio
N. 1Prelevatore saggiatore completo di raccordi di connessione alla tubazione del buon gusto, posizionato subito dopo il misuratore, e completo di visualizzatore del numero di prelievi effettuati.
Nr. 1 Collettore acqua di raffreddamento vapori in acciaio inox, completo di:
- valvole di intercettazione manuali;
- 1 manometro e n.1 termometro analogici;
- 1 flussimetro per acqua deflemmatore (solo per impianti manuali);
- tubazione inox di raccordo tra collettore ed utenze.
MOD. 15 DM 100 IR - DATI TECNICI
- Capacità media di carica della caldera:
- Vinaccia diluita al: 70% - 1 mc
- Liquidi alcolici in genere: 1.000 lt.
- Durata media ciclo con carico e scarico:4 hr
- Consumo medio energia elettrica:3 kW
- Consumo medio vapore 0,5 bardurante la fase di riscaldamento:(20°/90°C) - 250 kg/h
- Durata fase di riscaldamento:1 hr
- Consumo medio vapore 0,5 bardurante la fase di distillazione:(90°/101°C) - 150 kg/h
- Durata fase di distillazione:2/3 hr
NB: i valori indicati sono stati calcolati con dei parametri indicativi. Essi sono quindi da intendersi come approssimati, e sono riferiti ad un utilizzo in condizioni normali (non estreme) dell'impianto.
In caso d'ordine i valori verranno ricalcolati con i parametri relativi al caso specifico.


